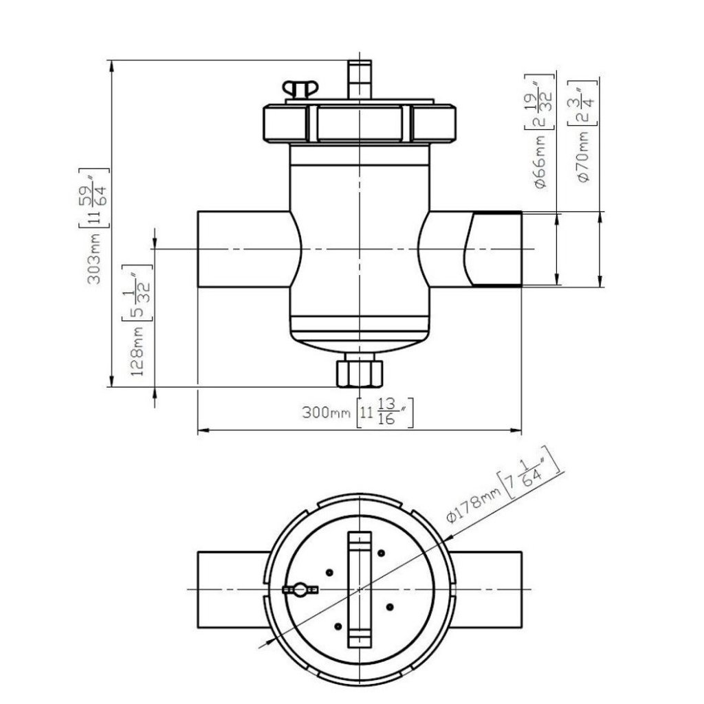
Durchfluss-Magnetabscheider MF 100/1-70-EKO-N-4-80-S-P




Die Anlage ist zur Abscheidung von Metallverunreinigungen von Medien bestimmt, die laut Artikel 13 der Richtlinie 2014/68/EU (PED) nicht gefährlich sind – Mediengruppe 2. Diese Durchfluss-Magnetabscheider fallen laut 2014/68/EU in keine Kategorie der Druckeinrichtungen (Artikel 4, Abs. 3). Weitere Informationen finden Sie unter: www.magneticke-separatory.cz (in einem neuen Fenster)
Weitere Informationen finden Sie unter: www.magnetabscheider.de (in einem neuen Fenster)
TESTMETHODE
Verfahren zur Messung der magnetischen Induktion
Die Messung wird mit einem Standard-Gaussmeter an der Stelle mit der strukturell höchsten magnetischen Induktion durchgeführt - anstelle von Polstücken bzw. am tiefsten Punkt des Magnetkreis-bogens. Die Prüfung wird 3x an jeweils unterschiedlichen Stellen des Magnetbogens wiederholt und die durchschnittliche magnetische Induktion berechnet.
Verfahren zur Messung der Reißkraft
Die Messung erfolgt mit einem Etalon aus poliertem Stahl mit einem Durchmesser von 10 mm und einer Höhe von 20 mm. Die Messung wird an der Stelle mit der strukturell höchsten Reißkraft durchgeführt - anstelle von Polstücken bzw. am tiefsten Punkt des Magnetkreisbogens. Die Kraft, bei der der Etalon abgerissen wurde, wird aufgezeichnet. Die Prüfung wird 3x wiederholt und die durchschnittliche Reißkraft berechnet.
Zu ihrer Information 10 N = ca. 1 kg.
Die sich ergebende Reißkraft hängt von vielen Faktoren ab - z. B. den Abmessungen des Etalons, dem Luftspalt zwischen der Norm und dem getesteten Magnetkreis, der Oberflächenbehandlung des Etalons usw.
Die angegebenen Reißkraftwerte für einige Produkte wurden unter idealen Bedingungen gemessen, die durch die Testumgebung gegeben sind. Diese Werte können jedoch je nach der spezifischen Art der Umgebung variieren, in der z. B. die Betriebsbedingungen und die anschließende Abnutzung die Wirksamkeit des Produkts beeinflussen können. Messungen wurden jedoch nicht für alle Produkte durchgeführt und stellen in solchen Fällen nur eine Schätzung oder eine interne Hilfsberechnung des Verkäufers dar. Die angegebenen Werte sind daher als Richtwerte zu betrachten und der Verkäufer erklärt, dass sie keine Beschreibung der Ware im Sinne der vereinbarten Beschaffenheit im Kaufvertrag auf der Grundlage von Artikel 6 Buchstabe a der Richtlinie (EU) 2019/771 des Europäischen Parlaments und des Rates vom 20. Mai 2019 zu bestimmten Aspekten von Verträgen über den Verkauf von Waren, zur Änderung der Verordnung (EU) 2017/2394 und der Richtlinie 2009/22/EG und zur Aufhebung der Richtlinie 1999/44/EG darstellen. Um den genauen Wert der Reißkraft im konkreten Fall zu ermitteln, ist es notwendig, die tatsächliche Messung durchzuführen.
Sollten die ermittelten Werte der Abreißkraft für Sie nicht ausreichend sein, da sie nicht den angegebenen Werten entsprechen, können Sie innerhalb von 30 Tagen unter den hier angegebenen Bedingungen von der garantierten Rückgabeoption Gebrauch machen: https://www.magnet-abscheider.de/handelsbedingungen/ und einen stärkeren Magneten kaufen. Diese 30 Tage dienen nur zum Testen der Ware, danach kann der Verkäufer die Rückgabe verweigern.
Zusätzliche Parameter
| Kategorie: | Magnetische Strömungsabscheider |
|---|---|
| EAN: | 8595134063332 |
| Gesamtgewicht: | 12 kg |
| Masse des Magnetkerns: | 8,7 kg |
| Magnetische Induktion auf dem Kern: | 14.500 Gs |
| Magnetische Induktion auf dem Mantel: | 10.200 Gs |
| Material: | Rostfreier Stahl DIN 1.4301, EN 10088, (X5CrNi 18-10), ČSN 17240, AISI 304, AKV 7 |
| Maximaler Druck:: | 6 bar |
| Losbrechkraft auf den Kern: | 118 N |
| Reißkraft am Gehäuse: | 93 N |
| Anzahl der Mäntel: | Einzelne Haut |
| Anzahl der Rohre: | 4 |
| Oberflächenbehandlung von Rosten und Rohren: | Polieren, Ra-Wert kleiner als: 0,1 µm |
| Gehäuseoberfläche: | Glasperlenstrahlen |
| Ausführung: | ECO |
| Verbinden Sie: | Werkstoff: 1.4301, Glattes Rohr ø 70 x 2 mm |
| Temperaturbeständigkeit des Magneten: | 80 °C (176 °F) - maximale Betriebstemperatur |
| Siegel: | Silikone - auch für die Lebensmittelindustrie (ATEST) |
| Eingabe/Ausgabe: | 66 mm |
| Verfahren zur Reinigung: | Handheld |
| Dieser Artikel ist leider ausverkauft… | |
Video
Seien Sie der Erste, der einen Beitrag über diesen Artikel schreibt.
